Právě se nacházíte na testovacím serveru. Na veřejný web pokračujte zde.
Nakupte ještě za 10 000 Kč a máte dopravu zdarma
Košík
Menu Zavřít

E.1000.25.00.B Otočové ložisko

Otočná ložiska, otoče jsou strojním elementem, který je určený k zachycení velkých axiálních zatížení a k natáčení a rotační pohyb těžkých a… Celý popis
Kód produktu: E.1000.25.00.B
Cena bez DPH
30 400 Kč
Cena s DPH
36 784 Kč
Dostupnost
Na poptání

Popis produktu

Otočná ložiska, otoče jsou strojním elementem, který je určený k zachycení velkých axiálních zatížení a k natáčení a rotační pohyb těžkých a rozměrných komponentů.

Otočná ložiska se uplatní v mnoha průmyslových oblastech. Významnou oblastí jejich použití je využití v solárních elektrárnách pro natáčení solárních panelů. Otočná ložiska nachází své využití také v oblasti telekomunikací. A to při natáčení vysílacích či přijímacích antén. Další oblastí, kde otočná ložiska, nacházejí uplatnění je stavebnictví. Otočná ložiska jsou základním stavebním uzlem u mnoha typů jeřábů s otočným ramenem, různých domíchávačů apod.

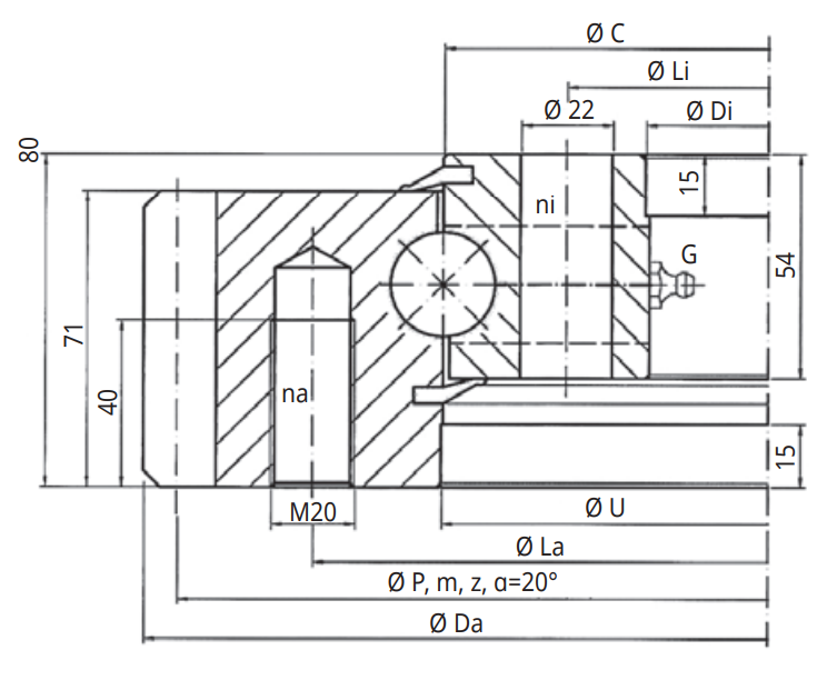
Parametry

Da (mm)
997
U (mm)
855
C (mm)
854
Di (mm)
757
La (mm)
916
na (n°)
28
Li (mm)
795
ni (n°)
28
P (mm)
981
m
9
zubů (n°)
109
Fz nor (kN)
50,8
Fz max (kN)
71,1
Hmotnost
145 kg
Máte dotaz k produktu?
Tyto stránky využívají cookies
Cookies používáme, abychom zajistili správné fungování a bezpečnost našich stránek, tím pádem co nejlepší zkušenost při návštěvě. Svá nastavení cookies můžete později kdykoliv změnit. Další informace o Cookies
Nastavení
Na této stránce můžete nastavit souhlas pro jednotlivé účely generování a využívání souborů cookies. Další informace o Cookies
Zajišťují, že tyto stránky fungují správně a bezpečně na všech zařízeních.
Analytické cookies nám pomáhají sledovat návštěvnost a informovat o tom, jak návštěvníci využívají tuto webovou stránku v průběhu jejich návštěvy.
Tyto cookies nám pomáhají, abychom vám ukazovali na internetu takovou reklamu, která by se vám mohla líbit a bude pro vás užitečná. Zároveň Vám tyto cookies umožní využít nástroje pro komunikaci v reálném čase (online chat).