Momentálne sa nachádzate na testovacom serveri. Pokračujte na verejnú stránku tu.
Menu Zatvoriť

E.855.20.00.B Otočové ložisko

Otočná ložiska, otoče jsou strojním elementem, který je určený k zachycení velkých axiálních zatížení a k natáčení a rotační pohyb těžkých a… Úplný popis
Kód produktu: E.850.20.00.B
Cena bez DPH
€ 1 044,36
Cena s DPH
€ 1 263,68
Dostupnosť
Na poptání

Popis produktu

Otočná ložiska, otoče jsou strojním elementem, který je určený k zachycení velkých axiálních zatížení a k natáčení a rotační pohyb těžkých a rozměrných komponentů.

Otočná ložiska se uplatní v mnoha průmyslových oblastech. Významnou oblastí jejich použití je využití v solárních elektrárnách pro natáčení solárních panelů. Otočná ložiska nachází své využití také v oblasti telekomunikací. A to při natáčení vysílacích či přijímacích antén. Další oblastí, kde otočná ložiska, nacházejí uplatnění je stavebnictví. Otočná ložiska jsou základním stavebním uzlem u mnoha typů jeřábů s otočným ramenem, různých domíchávačů apod.

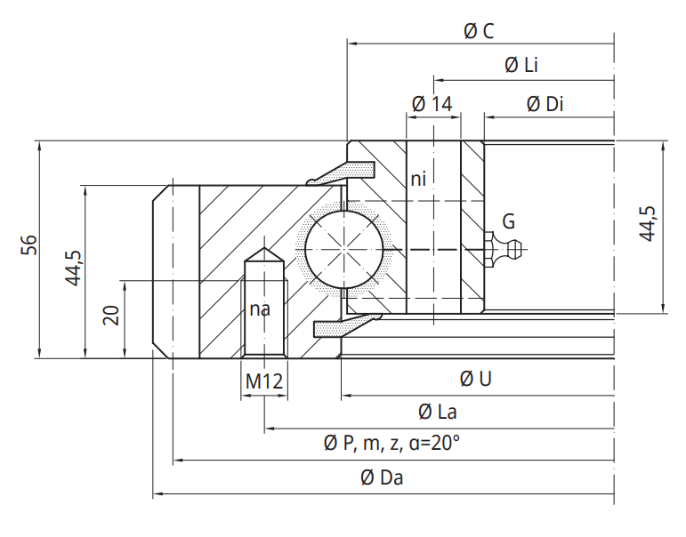
Parametre

Da (mm)
838,1
U (mm)
745,5
C (mm)
742,5
Di (mm)
672
La (mm)
785
na (n°)
36
Li (mm)
698
ni (n°)
40
P (mm)
828
m
6
zubů (n°)
138
Fz nor (kN)
21,2
Fz max (kN)
29,7
Hmotnost
59 kg
Máte otázku k produktu?
Táto stránka používa súbory cookie
Súbory cookie používame na zabezpečenie správneho fungovania a bezpečnosti našej stránky, aby ste mali pri návšteve čo najlepší zážitok. Nastavenia súborov cookie môžete kedykoľvek neskôr zmeniť kedykoľvek zmeniť. Další informace o Cookies
Nastavenie
Na tejto stránke môžete nastaviť svoj súhlas na jednotlivé účely generovania a používania súborov cookie. Ďalšie informácie o súboroch cookie
Zabezpečujú, aby stránka fungovala správne a bezpečne na všetkých zariadeniach.
Analytické súbory cookie nám pomáhajú sledovať návštevnosť a podávať o nej správy, ako návštevníci používajú túto webovú stránku počas jej návštevy.
Tieto súbory cookie nám pomáhajú zobrazovať vám takúto reklamu na internete, ktorá by sa vám mohla páčiť a bola by pre vás užitočná. Zároveň tieto súbory cookie vám umožňujú používať komunikačné nástroje v reálnom čase (online chat).